Home » Parts » Scotsman » Scotsman: MDT5N40 Larger View        

Scotsman: MDT5N40


MDT5N40 ice maker parts

Search
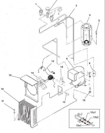
 ice maker parts illustration

Grid View:

Diagram# Image Part No. Description Price Qty  
Part #: 13-0617-54 - 0-RING 13-0617-54 0-RING $30.13 Add to Cart Add to Cart
Part #: 02-3116-01 - AGITATOR 02-3116-01 AGITATOR $700.12 Add to Cart Add to Cart
Part #: A32672-001 - AGITATOR MOTOR HEATE A32672-001 AGITATOR MOTOR HEATE $75.78 Not In Stock
Part #: A38071-021 - AUGER - 12 INCH LONG A38071-021 AUGER - 12 INCH LONG $1104.31 Add to Cart Add to Cart
Part #: 08-0660-01 - AUGER STUD 08-0660-01 AUGER STUD $184.54 Add to Cart Add to Cart
Part #: A33112-002 - BACK PANEL A33112-002 BACK PANEL $348.13 Add to Cart Add to Cart
Part #: A33276-002 - BACK PANEL A33276-002 BACK PANEL $562.71 Add to Cart Add to Cart
Part #: A34969-001 - BAIL/CLAMP A34969-001 BAIL/CLAMP $63.02 Add to Cart Add to Cart
Part #: 03-1733-01 - BALL STUD 03-1733-01 BALL STUD $15.11 Add to Cart Add to Cart
Part #: 03-1733-02 - BALL STUD 03-1733-02 BALL STUD $13.89 Add to Cart Add to Cart
Part #: 02-3327-01 - BEARING 02-3327-01 BEARING $66.29 Add to Cart Add to Cart
Part #: 12-2430-49 - BEARING - MOTOR GE 12-2430-49 BEARING - MOTOR GE $87.11 Add to Cart Add to Cart
Part #: A34559-020 - BEARING-SERVICE A34559-020 BEARING-SERVICE $380.81 Add to Cart Add to Cart
Part #: A34015-001 - BIN ASSY. and MACHINING SD A34015-001 BIN ASSY. and MACHINING SD $492.00 Not In Stock
Part #: A37710-021 - BIN LEVEL CONTROL (S A37710-021 BIN LEVEL CONTROL (S $300.21 Add to Cart Add to Cart
Part #: A34957-001 - BIN TOP A34957-001 BIN TOP $130.07 Add to Cart Add to Cart
Part #: A32379-026 - BOLT - (6) PER PACK A32379-026 BOLT - (6) PER PACK $73.75 Add to Cart Add to Cart
Part #: A34563-001 - BRACE A34563-001 BRACE $101.70 Add to Cart Add to Cart
Part #: A33269-015 - BRACE - UPPER A33269-015 BRACE - UPPER $52.63 Add to Cart Add to Cart
Part #: A32939-015 - BRACE FRONT A32939-015 BRACE FRONT $57.64 Add to Cart Add to Cart
Part #: A32938-015 - BRACE HANGER A32938-015 BRACE HANGER $67.30 Add to Cart Add to Cart
Part #: A33270-015 - BRACE SUPPORT A33270-015 BRACE SUPPORT $59.31 Add to Cart Add to Cart
Part #: A37804-001 - BRACKET A37804-001 BRACKET $52.63 Add to Cart Add to Cart
Part #: A37883-001 - BRACKET A37883-001 BRACKET $52.52 Add to Cart Add to Cart
Part #: A33271-015 - BRACKET A33271-015 BRACKET $51.75 Add to Cart Add to Cart
Part #: A35952-001 - BRACKET - RESERVOIR A35952-001 BRACKET - RESERVOIR $45.70 Add to Cart Add to Cart
Part #: A38033-001 - BRACKET BIN TOP A38033-001 BRACKET BIN TOP $29.26 Add to Cart Add to Cart
Part #: A33990-015 - BRACKET GREY A33990-015 BRACKET GREY $43.14 Add to Cart Add to Cart
Part #: A33287-015 - BRACKET SUPPORT GREY A33287-015 BRACKET SUPPORT GREY $57.14 Not In Stock
Part #: 16-0871-01 - BRASS INSERT 16-0871-01 BRASS INSERT $16.88 Add to Cart Add to Cart
Part #: A32900-020 - BREAKER A32900-020 BREAKER $1409.25 Add to Cart Add to Cart
Part #: 12-1213-10 - BUSHING 12-1213-10 BUSHING $11.99 Add to Cart Add to Cart
Part #: 12-1213-12 - BUSHING 12-1213-12 BUSHING $12.50 Add to Cart Add to Cart
Part #: 16-1140-01 - CAP SERVICE PORT 16-1140-01 CAP SERVICE PORT $32.02 Add to Cart Add to Cart
Part #: 18-2200-35 - CAPACITOR 18-2200-35 CAPACITOR $120.75 Add to Cart Add to Cart
Part #: 18-3701-01 - CAPACITOR 18-3701-01 CAPACITOR $114.33 Add to Cart Add to Cart
Part #: 18-2200-38 - CAPACITOR CAP 18-2200-38 CAPACITOR CAP $13.00 Not In Stock
Part #: 18-1902-64 - CAPACITOR RUN 18-1902-64 CAPACITOR RUN $226.04 Add to Cart Add to Cart
Part #: 18-1902-65 - CAPACITOR RUN 18-1902-65 CAPACITOR RUN $41.89 Add to Cart Add to Cart
Part #: 18-1902-68 - CAPACITOR RUN 18-1902-68 CAPACITOR RUN $31.44 Add to Cart Add to Cart
Part #: 18-1902-45 - CAPACITOR RUN 18-1902-45 CAPACITOR RUN $131.70 Add to Cart Add to Cart
Part #: A36141-001 - CAPACITOR STRAP A36141-001 CAPACITOR STRAP $30.03 Add to Cart Add to Cart
Part #: A35321-001 - CHUTE A35321-001 CHUTE $556.23 Add to Cart Add to Cart
Part #: A35321-004 - CHUTE ICE A35321-004 CHUTE ICE $687.82 Add to Cart Add to Cart
Part #: A34578-002 - CHUTE WATER GREY A34578-002 CHUTE WATER GREY $36.69 Not In Stock
Part #: 12-2843-21 - CIRCUIT BOARD 115/60 - email for availability 12-2843-21 CIRCUIT BOARD 115/60 - email for availability $1110.52 Add to Cart Add to Cart
Part #: 12-2843-26 - CIRCUIT BOARD 220/50 12-2843-26 CIRCUIT BOARD 220/50 $2143.30 Add to Cart Add to Cart
Part #: 02-2814-09 - CLAMP HOSE 02-2814-09 CLAMP HOSE $21.04 Add to Cart Add to Cart
Part #: 18-8720-26 - COMPRESSOR 18-8720-26 COMPRESSOR $2906.28 Add to Cart Add to Cart
Part #: 18-8721-21 - COMPRESSOR 18-8721-21 COMPRESSOR $2912.11 Not In Stock
Part #: 18-8720-21 - COMPRESSOR 18-8720-21 COMPRESSOR $2818.64 Add to Cart Add to Cart
Part #: 18-8948-21 - COMPRESSOR RST45 18-8948-21 COMPRESSOR RST45 $1915.87 Add to Cart Add to Cart
Part #: 18-8948-22 - COMPRESSOR RST45 18-8948-22 COMPRESSOR RST45 $2515.16 Add to Cart Add to Cart
Part #: 18-8949-21 - COMPRESSOR RST55 18-8949-21 COMPRESSOR RST55 $2142.07 Add to Cart Add to Cart
Part #: 18-8871-01 - CONDENSER 18-8871-01 CONDENSER $774.19 Add to Cart Add to Cart
Part #: 18-8847-01 - CONDENSER A/C 18-8847-01 CONDENSER A/C $536.53 Add to Cart Add to Cart
Part #: 18-8732-01 - CONDENSER A/C 18-8732-01 CONDENSER A/C $559.08 Add to Cart Add to Cart
Part #: 18-3306-25 - CONDENSER W/C 18-3306-25 CONDENSER W/C $878.52 Add to Cart Add to Cart
Part #: 16-0605-00 - CONNECTOR 16-0605-00 CONNECTOR $40.91 Add to Cart Add to Cart
Part #: 16-1046-01 - CONNECTOR FEMALE 16-1046-01 CONNECTOR FEMALE $48.71 Add to Cart Add to Cart
Part #: 16-1039-01 - CONNECTOR MALE 16-1039-01 CONNECTOR MALE $51.87 Add to Cart Add to Cart
Part #: 12-2469-02 - CONTACTOR 12-2469-02 CONTACTOR $153.32 Add to Cart Add to Cart
Part #: 12-2469-03 - CONTACTOR 12-2469-03 CONTACTOR $151.63 Add to Cart Add to Cart
Part #: A36146-001 - CONTROL BOX COVER A36146-001 CONTROL BOX COVER $47.83 Not In Stock
Part #: 11-0501-22 - CONTROL PRESSURE 11-0501-22 CONTROL PRESSURE $183.63 Add to Cart Add to Cart
Part #: 16-1139-01 - CORE SERVICE VALVE 16-1139-01 CORE SERVICE VALVE $44.52 Add to Cart Add to Cart
Part #: 02-3128-20 - COVER 02-3128-20 COVER $92.63 Add to Cart Add to Cart
Part #: 19-0644-01 - COVER - SENSOR 19-0644-01 COVER - SENSOR $35.69 Add to Cart Add to Cart
Part #: A32787-001 - DOOR A32787-001 DOOR $410.59 Add to Cart Add to Cart
Part #: A32684-001 - DOOR ROD LONG A32684-001 DOOR ROD LONG $66.18 Add to Cart Add to Cart
Part #: A32683-001 - DOOR SOLENOID A32683-001 DOOR SOLENOID $233.71 Not In Stock
Part #: A32294-001 - DRAIN A32294-001 DRAIN $278.46 Not In Stock
Part #: 02-3692-21 - DRAIN ADAPTER 02-3692-21 DRAIN ADAPTER $64.89 Add to Cart Add to Cart
Part #: 02-1742-00 - DRAIN BOTTOM 02-1742-00 DRAIN BOTTOM $69.17 Add to Cart Add to Cart
Part #: 02-3692-23 - DRAIN KIT 02-3692-23 DRAIN KIT $70.48 Add to Cart Add to Cart
Part #: 02-2809-01 - DRAIN TOP 02-2809-01 DRAIN TOP $82.41 Add to Cart Add to Cart
Part #: 02-3319-02 - DRIER 02-3319-02 DRIER $69.33 Add to Cart Add to Cart
Part #: 02-3837-01 - DRIP PAN - PLASTIC 02-3837-01 DRIP PAN - PLASTIC $57.50 Add to Cart Add to Cart
Part #: 15-0808-01 - EMBLEM - SCOTSMAN 15-0808-01 EMBLEM - SCOTSMAN $54.94 Add to Cart Add to Cart
Part #: 15-0803-01 - EMBLEM - TOUCH FREE 15-0803-01 EMBLEM - TOUCH FREE $33.16 Not In Stock
Part #: A33194-020 - EVAPORATOR A33194-020 EVAPORATOR $2052.16 Add to Cart Add to Cart
Part #: A38105-001 - EXTENSION A38105-001 EXTENSION $43.31 Add to Cart Add to Cart
Part #: 12-0675-25 - FAN BLADE 12-0675-25 FAN BLADE $35.53 Add to Cart Add to Cart
Part #: 18-3732-01 - FAN BLADE 18-3732-01 FAN BLADE $122.49 Add to Cart Add to Cart
Part #: 18-8859-01 - FAN BLADE 18-8859-01 FAN BLADE $98.49 Add to Cart Add to Cart
Part #: 02-3333-01 - FAN MOTOR BRACKET 02-3333-01 FAN MOTOR BRACKET $38.13 Not In Stock
Part #: 02-3359-01 - FAN MOTOR BRACKET 02-3359-01 FAN MOTOR BRACKET $82.36 Not In Stock
Part #: A35911-001 - FAN SHROUD A35911-001 FAN SHROUD $92.12 Add to Cart Add to Cart
Part #: A32379-024 - FIRST GEAR and BRARING A32379-024 FIRST GEAR and BRARING $766.73 Add to Cart Add to Cart
Part #: 16-0835-01 - FITTING 16-0835-01 FITTING $84.60 Add to Cart Add to Cart
Part #: 03-1418-15 - FLAT HEAD SCREW 03-1418-15 FLAT HEAD SCREW $10.51 Not In Stock
Part #: 13-0704-00 - GASKET 13-0704-00 GASKET $24.53 Add to Cart Add to Cart
Part #: 13-0875-01 - GASKET 13-0875-01 GASKET $72.01 Add to Cart Add to Cart
Part #: A32379-021 - GASKET A32379-021 GASKET $51.10 Add to Cart Add to Cart
Part #: 02-3233-01 - GASKET 02-3233-01 GASKET $41.77 Add to Cart Add to Cart
Part #: A32379-020 - GEAR CASE A32379-020 GEAR CASE $604.29 Add to Cart Add to Cart
Part #: A32379-022 - GEAR CASE TOP A32379-022 GEAR CASE TOP $1656.48 Add to Cart Add to Cart
Part #: 02-1971-00 - GEAR MOTOR BRACKET 02-1971-00 GEAR MOTOR BRACKET $66.39 Add to Cart Add to Cart
Part #: A33220-022 - GEAR REDUCER & MOTOR A33220-022 GEAR REDUCER & MOTOR $2512.13 Add to Cart Add to Cart
Part #: A33220-021 - GEAR REDUCER and MOTOR A33220-021 GEAR REDUCER and MOTOR $2612.60 Add to Cart Add to Cart
Part #: 02-2951-01 - GRILL 02-2951-01 GRILL $190.28 Add to Cart Add to Cart
Part #: 02-2582-01 - GRILL 02-2582-01 GRILL $232.49 Add to Cart Add to Cart
Part #: 13-0866-01 - GROMMET 13-0866-01 GROMMET $37.86 Add to Cart Add to Cart
Part #: 16-0643-00 - HALF UNION 16-0643-00 HALF UNION $27.99 Add to Cart Add to Cart
Part #: 12-2802-01 - HARNESS 12-2802-01 HARNESS $50.94 Add to Cart Add to Cart
Part #: 12-2803-01 - HARNESS 12-2803-01 HARNESS $53.34 Add to Cart Add to Cart
Part #: 12-2491-01 - HARNESS TDE A/C 12-2491-01 HARNESS TDE A/C $88.20 Not In Stock
Part #: 12-2491-02 - HARNESS TDE W/C 12-2491-02 HARNESS TDE W/C $54.81 Not In Stock
Part #: 03-1410-03 - HELICAL SPRING LOCKW 03-1410-03 HELICAL SPRING LOCKW $11.99 Add to Cart Add to Cart
Part #: 03-1410-04 - HELICAL SPRING LOCKW 03-1410-04 HELICAL SPRING LOCKW $11.99 Add to Cart Add to Cart
Part #: 03-1405-41 - HEX CAP SCREW 03-1405-41 HEX CAP SCREW $16.34 Add to Cart Add to Cart
Part #: 03-1405-52 - HEX CAP SCREW 03-1405-52 HEX CAP SCREW $25.96 Add to Cart Add to Cart
Part #: 03-1405-17 - HEX CAP SCREWS 03-1405-17 HEX CAP SCREWS $11.99 Add to Cart Add to Cart
Part #: 03-1406-10 - HEX NUTS 03-1406-10 HEX NUTS $11.99 Add to Cart Add to Cart
Part #: 03-1406-09 - HEX NUTS 03-1406-09 HEX NUTS $11.99 Add to Cart Add to Cart
Part #: 02-1874-07 - HOLE PLUG 02-1874-07 HOLE PLUG $14.97 Add to Cart Add to Cart
Part #: 13-0895-01 - HOSE - PER FT. 13-0895-01 HOSE - PER FT. $7.95 Add to Cart Add to Cart
Part #: A38260-001 - HOSE - RESERVOIR A38260-001 HOSE - RESERVOIR $73.21 Add to Cart Add to Cart
Part #: 02-2814-06 - HOSE CLAMP 02-2814-06 HOSE CLAMP $28.52 Add to Cart Add to Cart
Part #: 02-2814-10 - HOSE CLAMP 02-2814-10 HOSE CLAMP $26.32 Add to Cart Add to Cart
Part #: 02-2814-07 - HOSE CLAMP 02-2814-07 HOSE CLAMP $26.19 Add to Cart Add to Cart
Part #: 02-2814-08 - HOSE CLAMP 02-2814-08 HOSE CLAMP $21.22 Add to Cart Add to Cart
Part #: 02-3268-01 - HOSE CLIP 02-3268-01 HOSE CLIP $29.69 Add to Cart Add to Cart
Part #: 02-3901-01 - HOSE DRAIN 02-3901-01 HOSE DRAIN $110.33 Add to Cart Add to Cart
Part #: A38259-001 - HOSE DRAIN A38259-001 HOSE DRAIN $115.65 Add to Cart Add to Cart
Part #: 02-2958-01 - ICE CHUTE 02-2958-01 ICE CHUTE $69.40 Add to Cart Add to Cart
Part #: 02-3909-01 - ICE CHUTE 02-3909-01 ICE CHUTE $113.66 Add to Cart Add to Cart
Part #: A35305-001 - ICE CHUTE BRACKET A35305-001 ICE CHUTE BRACKET $88.01 Add to Cart Add to Cart
Part #: 02-2957-02 - ICE CHUTE COVER 02-2957-02 ICE CHUTE COVER $62.94 Add to Cart Add to Cart
Part #: 02-2930-04 - ICE CHUTE COVER 02-2930-04 ICE CHUTE COVER $72.36 Add to Cart Add to Cart
Part #: 02-2973-02 - ICE CHUTE-EXTENSION 02-2973-02 ICE CHUTE-EXTENSION $197.40 Add to Cart Add to Cart
Part #: A37711-021 - ICE LEVEL CONTROL (S A37711-021 ICE LEVEL CONTROL (S $204.25 Add to Cart Add to Cart
Part #: 02-3001-01 - ICE SWEEP 02-3001-01 ICE SWEEP $87.24 Add to Cart Add to Cart
Part #: A32657-001 - INNER BIN BOTTOM A32657-001 INNER BIN BOTTOM $487.96 Add to Cart Add to Cart
Part #: 03-1734-01 - INSERT 03-1734-01 INSERT $11.99 Add to Cart Add to Cart
Part #: A33102-001 - INSULATION COLLAR IN A33102-001 INSULATION COLLAR IN $37.03 Add to Cart Add to Cart
Part #: A32963-001 - INSULATION TOP HALF A32963-001 INSULATION TOP HALF $47.59 Add to Cart Add to Cart
Part #: A32963-002 - INSULATION TOP-HALF A32963-002 INSULATION TOP-HALF $48.80 Add to Cart Add to Cart
Part #: 02-4358-01 - INSULATION-FREEZER 02-4358-01 INSULATION-FREEZER $36.21 Add to Cart Add to Cart
Part #: 12-0346-00 - JUNCTION BOX 12-0346-00 JUNCTION BOX $54.94 Add to Cart Add to Cart
Part #: 16-1154-23 - KIT ADAPTER 16-1154-23 KIT ADAPTER $132.03 Add to Cart Add to Cart
Part #: 16-1154-22 - KIT ADAPTER 16-1154-22 KIT ADAPTER $136.44 Add to Cart Add to Cart
Part #: A39845-021 - KIT ICE CHUTE A39845-021 KIT ICE CHUTE $56.20 Add to Cart Add to Cart
Part #: 17-2830-01 - LABEL - ICE 17-2830-01 LABEL - ICE $33.07 Add to Cart Add to Cart
Part #: 17-2830-02 - LABEL - WATER 17-2830-02 LABEL - WATER $52.38 Add to Cart Add to Cart
Part #: A32952-002 - LEFT SIDE PANEL A32952-002 LEFT SIDE PANEL $134.53 Add to Cart Add to Cart
Part #: A32235-001 - LEG-HOLD DOWN A32235-001 LEG-HOLD DOWN $75.00 Not In Stock
Part #: A32685-001 - LINKAGE PIN-MED. A32685-001 LINKAGE PIN-MED. $66.62 Not In Stock
Part #: A32687-001 - LINKAGE PIN-SHORT A32687-001 LINKAGE PIN-SHORT $91.02 Add to Cart Add to Cart
Part #: 02-2978-01 - LIP SEAL 02-2978-01 LIP SEAL $66.10 Add to Cart Add to Cart
Part #: 02-2977-01 - LIP SEAL 02-2977-01 LIP SEAL $84.17 Add to Cart Add to Cart
Part #: A33280-001 - LOWER FRAME A33280-001 LOWER FRAME $613.61 Add to Cart Add to Cart
Part #: A32958-001 - LOWER FRAME A32958-001 LOWER FRAME $566.50 Add to Cart Add to Cart
Part #: 12-2368-01 - MOTOR 12-2368-01 MOTOR $3640.06 Add to Cart Add to Cart
Part #: 18-8850-01 - MOTOR 18-8850-01 MOTOR $382.56 Add to Cart Add to Cart
Part #: 18-8736-06 - MOTOR 18-8736-06 MOTOR $422.20 Add to Cart Add to Cart
Part #: 12-2430-21 - MOTOR 115 V. 12-2430-21 MOTOR 115 V. $1218.43 Add to Cart Add to Cart
Part #: 12-2430-22 - MOTOR 230 V. 12-2430-22 MOTOR 230 V. $1195.45 Add to Cart Add to Cart
Part #: 12-2430-29 - MOTOR BEARING 12-2430-29 MOTOR BEARING $199.10 Add to Cart Add to Cart
Part #: 12-2677-26 - MOTOR DISPENSING 50 12-2677-26 MOTOR DISPENSING 50 $1149.19 Add to Cart Add to Cart
Part #: 12-2677-21 - MOTOR DISPENSING 60 12-2677-21 MOTOR DISPENSING 60 $973.83 Add to Cart Add to Cart
Part #: 18-5505-01 - MOTOR FAN 18-5505-01 MOTOR FAN $404.63 Add to Cart Add to Cart
Part #: A32698-001 - MOTOR SHAFT SEAL A32698-001 MOTOR SHAFT SEAL $90.31 Add to Cart Add to Cart
Part #: A32693-001 - MOTOR SHAFT SEAL-ROU A32693-001 MOTOR SHAFT SEAL-ROU $54.07 Add to Cart Add to Cart
Part #: 18-2200-28 - MOUNTING GROMMET 18-2200-28 MOUNTING GROMMET $19.87 Add to Cart Add to Cart
Part #: 18-2200-27 - MOUNTING SLEEVE 18-2200-27 MOUNTING SLEEVE $16.88 Add to Cart Add to Cart
Part #: 13-0617-11 - O RING 13-0617-11 O RING $15.08 Add to Cart Add to Cart
Part #: 13-0617-52 - O-RING 13-0617-52 O-RING $34.48 Add to Cart Add to Cart
Part #: 13-0617-45 - O-RING 13-0617-45 O-RING $21.69 Add to Cart Add to Cart
Part #: A32379-027 - OIL-1 PT-GEAR REDUCE A32379-027 OIL-1 PT-GEAR REDUCE $59.83 Add to Cart Add to Cart
Part #: A34493-023 - OUTER BIN and TOP A34493-023 OUTER BIN and TOP $634.80 Not In Stock
Part #: 18-5700-50 - OVERLOAD 18-5700-50 OVERLOAD $115.25 Add to Cart Add to Cart
Part #: 18-8711-50 - OVERLOAD 18-8711-50 OVERLOAD $111.19 Add to Cart Add to Cart
Part #: A37782-021 - PANEL - SPLASH A37782-021 PANEL - SPLASH $242.41 Not In Stock
Part #: A37790-021 - PANEL and LABELS A37790-021 PANEL and LABELS $288.36 Add to Cart Add to Cart
Part #: A37788-021 - PANEL FRONT A37788-021 PANEL FRONT $331.86 Not In Stock
Part #: A37771-002 - PANEL FRONT - GOVMT. A37771-002 PANEL FRONT - GOVMT. $159.15 Not In Stock
Part #: A37787-021 - PANEL LEFT SIDE A37787-021 PANEL LEFT SIDE $265.88 Add to Cart Add to Cart
Part #: A37808-021 - PANEL LEFT SIDE UPPE A37808-021 PANEL LEFT SIDE UPPE $293.52 Add to Cart Add to Cart
Part #: A37809-021 - PANEL RIGHT SIDE A37809-021 PANEL RIGHT SIDE $313.44 Add to Cart Add to Cart
Part #: A37787-022 - PANEL RIGHT SIDE A37787-022 PANEL RIGHT SIDE $265.86 Add to Cart Add to Cart
Part #: A37769-001 - PANEL TOP A37769-001 PANEL TOP $155.32 Not In Stock
Part #: A37806-001 - PANEL TOP A37806-001 PANEL TOP $301.73 Add to Cart Add to Cart
Part #: A37771-021 - PANEL UPPER FRONT A37771-021 PANEL UPPER FRONT $314.08 Not In Stock
Part #: 03-0396-01 - PIN COTTER 03-0396-01 PIN COTTER $11.99 Not In Stock
Part #: A34017-001 - PLATE A34017-001 PLATE $63.78 Not In Stock
Part #: A37803-001 - PLATE - VALVE A37803-001 PLATE - VALVE $54.94 Add to Cart Add to Cart
Part #: A32956-015 - PLATE UPPER A32956-015 PLATE UPPER $284.59 Add to Cart Add to Cart
Part #: 02-1874-05 - PLUG BUTTON 02-1874-05 PLUG BUTTON $11.99 Add to Cart Add to Cart
Part #: 02-3266-03 - PLUNGER 02-3266-03 PLUNGER $29.65 Add to Cart Add to Cart
Part #: 11-0485-22 - PRESSURE CONTROL MAN 11-0485-22 PRESSURE CONTROL MAN $240.65 Add to Cart Add to Cart
Part #: 16-0832-20 - PROCESS VALVE KIT 16-0832-20 PROCESS VALVE KIT $116.67 Add to Cart Add to Cart
Part #: A33220-030 - REDUCER - LESS MOTOR A33220-030 REDUCER - LESS MOTOR $2093.69 Add to Cart Add to Cart
Part #: 18-1903-50 - RELAY 18-1903-50 RELAY $166.55 Add to Cart Add to Cart
Part #: 18-1903-44 - RELAY COMPRESSOR 18-1903-44 RELAY COMPRESSOR $204.77 Add to Cart Add to Cart
Part #: 18-1903-54 - RELAY COMPRESSOR 18-1903-54 RELAY COMPRESSOR $155.48 Add to Cart Add to Cart
Part #: 02-3371-01 - RESERVOIR 02-3371-01 RESERVOIR $270.07 Add to Cart Add to Cart
Part #: 02-3266-02 - RESERVOIR VALVE 02-3266-02 RESERVOIR VALVE $147.73 Add to Cart Add to Cart
Part #: 03-1539-09 - RETAINING RING 03-1539-09 RETAINING RING $22.70 Add to Cart Add to Cart
Part #: A32953-002 - RIGHT SIDE PANEL A32953-002 RIGHT SIDE PANEL $134.40 Add to Cart Add to Cart
Part #: A32777-001 - RING A32777-001 RING $59.40 Add to Cart Add to Cart
Part #: A32735-001 - ROD A32735-001 ROD $68.07 Add to Cart Add to Cart
Part #: 13-0840-01 - RUBBER PLUG 13-0840-01 RUBBER PLUG $11.99 Add to Cart Add to Cart
Part #: 13-0079-03 - RUBBER TUBING PER FT 13-0079-03 RUBBER TUBING PER FT $15.12 Add to Cart Add to Cart
Part #: 03-1419-16 - SCREW 03-1419-16 SCREW $11.99 Add to Cart Add to Cart
Part #: 03-1531-08 - SCREW 03-1531-08 SCREW $11.99 Add to Cart Add to Cart
Part #: 03-1419-22 - SCREW 03-1419-22 SCREW $11.99 Add to Cart Add to Cart
Part #: 03-1544-08 - SCREW 03-1544-08 SCREW $28.71 Add to Cart Add to Cart
Part #: 03-1645-01 - SCREW 03-1645-01 SCREW $12.92 Add to Cart Add to Cart
Part #: 03-1638-07 - SCREW 03-1638-07 SCREW $5.95 Not In Stock
Part #: 03-1531-01 - SCREW 03-1531-01 SCREW $13.19 Add to Cart Add to Cart
Part #: 16-1137-01 - SEAT SERVICE VALVE 16-1137-01 SEAT SERVICE VALVE $27.53 Add to Cart Add to Cart
Part #: A32379-023 - SECOND GEAR - BEARIN A32379-023 SECOND GEAR - BEARIN $446.76 Add to Cart Add to Cart
Part #: A33113-002 - SERVICE PANEL A33113-002 SERVICE PANEL $165.61 Add to Cart Add to Cart
Part #: A33281-002 - SERVICE PANEL A33281-002 SERVICE PANEL $97.39 Not In Stock
Part #: 18-8948-51 - SERVICE PART OVERLOA 18-8948-51 SERVICE PART OVERLOA $73.58 Add to Cart Add to Cart
Part #: 18-8949-50 - SERVICE PART OVERLOA 18-8949-50 SERVICE PART OVERLOA $58.78 Add to Cart Add to Cart
Part #: 18-8948-50 - SERVICE PART OVERLOA 18-8948-50 SERVICE PART OVERLOA $96.07 Add to Cart Add to Cart
Part #: A33110-015 - SHROUD A33110-015 SHROUD $57.83 Not In Stock
Part #: A33284-002 - SIDE PANEL-LOWER A33284-002 SIDE PANEL-LOWER $418.46 Add to Cart Add to Cart
Part #: A33284-004 - SIDE PANEL-LOWER A33284-004 SIDE PANEL-LOWER $250.59 Add to Cart Add to Cart
Part #: 02-2944-20 - SINK 02-2944-20 SINK $391.62 Add to Cart Add to Cart
Part #: A31047-032 - SINK GREY A31047-032 SINK GREY $1354.15 Add to Cart Add to Cart
Part #: 02-3206-01 - SOLENOID LINK 02-3206-01 SOLENOID LINK $66.10 Add to Cart Add to Cart
Part #: 03-1423-06 - SPEED NUT 03-1423-06 SPEED NUT $11.99 Add to Cart Add to Cart
Part #: 02-3944-01 - SPOUT 02-3944-01 SPOUT $53.31 Add to Cart Add to Cart
Part #: 02-2943-01 - SPOUT 02-2943-01 SPOUT $82.70 Add to Cart Add to Cart
Part #: A32690-001 - SPRING-DISPENSER DOO A32690-001 SPRING-DISPENSER DOO $40.01 Not In Stock
Part #: A32692-001 - SQUARE MOTOR GASKET A32692-001 SQUARE MOTOR GASKET $84.52 Add to Cart Add to Cart
Part #: 12-2499-01 - STAND OFF 12-2499-01 STAND OFF $16.02 Add to Cart Add to Cart
Part #: 12-2350-01 - STANDOFF 12-2350-01 STANDOFF $21.36 Add to Cart Add to Cart
Part #: 18-1901-03 - START CAPACITOR 18-1901-03 START CAPACITOR $102.01 Add to Cart Add to Cart
Part #: 18-1901-45 - START CAPACITOR 18-1901-45 START CAPACITOR $71.27 Not In Stock
Part #: 18-1901-49 - START CAPACITOR 18-1901-49 START CAPACITOR $145.04 Add to Cart Add to Cart
Part #: 18-1901-65 - START CAPACITOR 18-1901-65 START CAPACITOR $57.32 Add to Cart Add to Cart
Part #: A34496-002 - STORAGE BIN A34496-002 STORAGE BIN $945.74 Add to Cart Add to Cart
Part #: A34496-001 - STORAGE BIN A34496-001 STORAGE BIN $887.60 Add to Cart Add to Cart
Part #: A35971-001 - STRAP A35971-001 STRAP $20.58 Add to Cart Add to Cart
Part #: A35419-020 - STRAP KIT A35419-020 STRAP KIT $65.36 Add to Cart Add to Cart
Part #: A35949-001 - SUCTION LINE A35949-001 SUCTION LINE $205.22 Add to Cart Add to Cart
Part #: A32940-015 - SUPPORT ANGLE GREY A32940-015 SUPPORT ANGLE GREY $58.62 Add to Cart Add to Cart
Part #: A34625-015 - SUPPORT BACK A34625-015 SUPPORT BACK $61.57 Add to Cart Add to Cart
Part #: A34509-015 - SUPPORT BOTTOM GREY A34509-015 SUPPORT BOTTOM GREY $65.47 Add to Cart Add to Cart
Part #: A34917-015 - SUPPORT BRACKET A34917-015 SUPPORT BRACKET $35.46 Add to Cart Add to Cart
Part #: A33107-015 - SUPPORT FREEZER A33107-015 SUPPORT FREEZER $66.59 Not In Stock
Part #: A34401-015 - SUPPORT SINK LT GREY A34401-015 SUPPORT SINK LT GREY $38.20 Not In Stock
Part #: A34401-016 - SUPPORT SINK RT GREY A34401-016 SUPPORT SINK RT GREY $38.20 Not In Stock
Part #: A34508-015 - SUPPORT TOP GREY A34508-015 SUPPORT TOP GREY $44.80 Not In Stock
Part #: A34562-001 - SUPPORT-HOPPER A34562-001 SUPPORT-HOPPER $71.34 Add to Cart Add to Cart
Part #: 12-2637-01 - SWITCH 12-2637-01 SWITCH $92.01 Add to Cart Add to Cart
Part #: 12-2391-01 - SWITCH 12-2391-01 SWITCH $39.00 Not In Stock
Part #: 12-2501-01 - SWITCH (TOUCH FREE) 12-2501-01 SWITCH (TOUCH FREE) $103.77 Add to Cart Add to Cart
Part #: 12-2430-44 - SWITCH START GE SPLI 12-2430-44 SWITCH START GE SPLI $116.44 Add to Cart Add to Cart
Part #: 16-0670-04 - TEE 16-0670-04 TEE $26.79 Add to Cart Add to Cart
Part #: 16-1040-01 - TEE 16-1040-01 TEE $51.61 Add to Cart Add to Cart
Part #: 16-0670-01 - TEE 16-0670-01 TEE $22.87 Add to Cart Add to Cart
Part #: 16-0670-02 - TEE 16-0670-02 TEE $28.52 Add to Cart Add to Cart
Part #: 11-0488-21 - THERMO EXP VALVE 11-0488-21 THERMO EXP VALVE $500.67 Add to Cart Add to Cart
Part #: A33101-022 - THERMO PROBE SERVICE A33101-022 THERMO PROBE SERVICE $184.92 Add to Cart Add to Cart
Part #: 03-1417-13 - TOOTHED LOCKWASHERS 03-1417-13 TOOTHED LOCKWASHERS $11.99 Add to Cart Add to Cart
Part #: 03-1417-27 - TOOTHED LOCKWASHERS 03-1417-27 TOOTHED LOCKWASHERS $11.99 Add to Cart Add to Cart
Part #: 12-2495-21 - TOUCH FREE SENSORS 12-2495-21 TOUCH FREE SENSORS $446.02 Not In Stock
Part #: 13-0674-06 - TUBING - PER FT. 13-0674-06 TUBING - PER FT. $19.23 Not In Stock
Part #: 13-0674-07 - TUBING - PER FT. 13-0674-07 TUBING - PER FT. $30.28 Not In Stock
Part #: 13-0079-01 - TUBING - PER FT. 13-0079-01 TUBING - PER FT. $29.67 Add to Cart Add to Cart
Part #: 05-0501-01 - TUBING PREFORMED 05-0501-01 TUBING PREFORMED $74.56 Add to Cart Add to Cart
Part #: 03-1407-07 - TYPE A PLAIN WASHER 03-1407-07 TYPE A PLAIN WASHER $13.21 Add to Cart Add to Cart
Part #: 03-1407-05 - TYPE A PLAIN WASHERS 03-1407-05 TYPE A PLAIN WASHERS $11.99 Add to Cart Add to Cart
Part #: 03-1407-02 - TYPE A PLAIN WASHERS 03-1407-02 TYPE A PLAIN WASHERS $11.99 Not In Stock
Part #: A33285-015 - UPPER PLATE GREY A33285-015 UPPER PLATE GREY $270.76 Add to Cart Add to Cart
Part #: 18-1902-52 - USE SC18-1902-68 18-1902-52 USE SC18-1902-68 $17.00 Not In Stock
Part #: 02-4406-01 - USE SC19-0599-06 02-4406-01 USE SC19-0599-06 $0.00 Not In Stock
Part #: 16-0832-03 - VALVE CORE CAP 16-0832-03 VALVE CORE CAP $24.65 Not In Stock
Part #: 16-0832-02 - VALVE SET SCREW CAP 16-0832-02 VALVE SET SCREW CAP $17.73 Not In Stock
Part #: 11-0608-21 - VALVE WATER REG WVO1 11-0608-21 VALVE WATER REG WVO1 $471.15 Add to Cart Add to Cart
Part #: 12-1646-06 - VALVE-INLET 12-1646-06 VALVE-INLET $210.14 Not In Stock
Part #: 12-1646-01 - VALVE-INLET 12-1646-01 VALVE-INLET $165.59 Add to Cart Add to Cart
Part #: 12-1646-05 - VALVE-INLET 12-1646-05 VALVE-INLET $233.34 Add to Cart Add to Cart
Part #: A37267-001 - VANE A37267-001 VANE $831.58 Add to Cart Add to Cart
Part #: A37268-001 - VANE A37268-001 VANE $740.31 Add to Cart Add to Cart
Part #: 02-3365-01 - WATER CHUTE 02-3365-01 WATER CHUTE $76.39 Add to Cart Add to Cart
Part #: A36762-001 - WATER LINE A36762-001 WATER LINE $74.77 Add to Cart Add to Cart
Part #: 11-0478-01 - WATER REG. VALVE 11-0478-01 WATER REG. VALVE $0.00 Not In Stock
Part #: 02-3266-01 - WATER RESERVOIR and FL 02-3266-01 WATER RESERVOIR and FL $249.52 Add to Cart Add to Cart
Part #: 02-0929-23 - WATER SEAL 02-0929-23 WATER SEAL $222.21 Add to Cart Add to Cart
Part #: 13-0871-01 - WATER SHED 13-0871-01 WATER SHED $55.47 Add to Cart Add to Cart
Part #: 13-0747-00 - WATER SHED 13-0747-00 WATER SHED $61.16 Add to Cart Add to Cart
Part #: 02-4663-01 - WATER SHED - 1/4 HP 02-4663-01 WATER SHED - 1/4 HP $69.33 Add to Cart Add to Cart
Part #: 03-0255-00 - WING NUT 03-0255-00 WING NUT $14.07 Add to Cart Add to Cart

List View:

Part #:  13-0617-54

0-RING

Part #: 13-0617-54 - 0-RING

$30.13

Add to Cart

Part #:  02-3116-01

AGITATOR

Part #: 02-3116-01 - AGITATOR

$700.12

Add to Cart

Part #:  A32672-001

(Obsolete)

AGITATOR MOTOR HEATE

Part #: A32672-001 - AGITATOR MOTOR HEATE

$75.78

Not In Stock

Part #:  A38071-021

AUGER - 12 INCH LONG

Part #: A38071-021 - AUGER - 12 INCH LONG

$1104.31

Add to Cart

Part #:  08-0660-01

AUGER STUD

Part #: 08-0660-01 - AUGER STUD

$184.54

Add to Cart

Part #:  A33112-002

BACK PANEL

Part #: A33112-002 - BACK PANEL

$348.13

Add to Cart

Part #:  A33276-002

BACK PANEL

Part #: A33276-002 - BACK PANEL

$562.71

Add to Cart

Part #:  A34969-001

BAIL/CLAMP

Part #: A34969-001 - BAIL/CLAMP

$63.02

Add to Cart

Part #:  03-1733-01

BALL STUD

Part #: 03-1733-01 - BALL STUD

$15.11

Add to Cart

Part #:  03-1733-02

BALL STUD

Part #: 03-1733-02 - BALL STUD

$13.89

Add to Cart

Part #:  02-3327-01

BEARING

Part #: 02-3327-01 - BEARING

$66.29

Add to Cart

Part #:  12-2430-49

BEARING - MOTOR GE

Part #: 12-2430-49 - BEARING - MOTOR GE

$87.11

Add to Cart

Part #:  A34559-020

BEARING-SERVICE

Part #: A34559-020 - BEARING-SERVICE

$380.81

Add to Cart

Part #:  A34015-001

(Obsolete)

BIN ASSY. and MACHINING SD

Part #: A34015-001 - BIN ASSY. and MACHINING SD

$492.00

Not In Stock

Part #:  A37710-021

BIN LEVEL CONTROL (S

Part #: A37710-021 - BIN LEVEL CONTROL (S

$300.21

Add to Cart

Part #:  A34957-001

BIN TOP

Part #: A34957-001 - BIN TOP

$130.07

Add to Cart

Part #:  A32379-026

BOLT - (6) PER PACK

Part #: A32379-026 - BOLT - (6) PER PACK

$73.75

Add to Cart

Part #:  A34563-001

BRACE

Part #: A34563-001 - BRACE

$101.70

Add to Cart

Part #:  A33269-015

BRACE - UPPER

Part #: A33269-015 - BRACE - UPPER

$52.63

Add to Cart

Part #:  A32939-015

BRACE FRONT

Part #: A32939-015 - BRACE FRONT

$57.64

Add to Cart

Part #:  A32938-015

BRACE HANGER

Part #: A32938-015 - BRACE HANGER

$67.30

Add to Cart

Part #:  A33270-015

BRACE SUPPORT

Part #: A33270-015 - BRACE SUPPORT

$59.31

Add to Cart

Part #:  A37804-001

BRACKET

Part #: A37804-001 - BRACKET

$52.63

Add to Cart

Part #:  A37883-001

BRACKET

Part #: A37883-001 - BRACKET

$52.52

Add to Cart

Part #:  A33271-015

BRACKET

Part #: A33271-015 - BRACKET

$51.75

Add to Cart

Part #:  A35952-001

BRACKET - RESERVOIR

Part #: A35952-001 - BRACKET - RESERVOIR

$45.70

Add to Cart

Part #:  A38033-001

BRACKET BIN TOP

Part #: A38033-001 - BRACKET BIN TOP

$29.26

Add to Cart

Part #:  A33990-015

BRACKET GREY

Part #: A33990-015 - BRACKET GREY

$43.14

Add to Cart

Part #:  A33287-015

(Obsolete)

BRACKET SUPPORT GREY

Part #: A33287-015 - BRACKET SUPPORT GREY

$57.14

Not In Stock

Part #:  16-0871-01

BRASS INSERT

Part #: 16-0871-01 - BRASS INSERT

$16.88

Add to Cart

Part #:  A32900-020

BREAKER

Part #: A32900-020 - BREAKER

$1409.25

Add to Cart

Part #:  12-1213-10

BUSHING

Part #: 12-1213-10 - BUSHING

$11.99

Add to Cart

Part #:  12-1213-12

BUSHING

Part #: 12-1213-12 - BUSHING

$12.50

Add to Cart

Part #:  16-1140-01

CAP SERVICE PORT

Part #: 16-1140-01 - CAP SERVICE PORT

$32.02

Add to Cart

Part #:  18-2200-35

CAPACITOR

Part #: 18-2200-35 - CAPACITOR

$120.75

Add to Cart

Part #:  18-3701-01

CAPACITOR

Part #: 18-3701-01 - CAPACITOR

$114.33

Add to Cart

Part #:  18-2200-38

(Obsolete)

CAPACITOR CAP

Part #: 18-2200-38 - CAPACITOR CAP

$13.00

Not In Stock

Part #:  18-1902-64

CAPACITOR RUN

Part #: 18-1902-64 - CAPACITOR RUN

$226.04

Add to Cart

Part #:  18-1902-65

CAPACITOR RUN

Part #: 18-1902-65 - CAPACITOR RUN

$41.89

Add to Cart

Part #:  18-1902-68

CAPACITOR RUN

Part #: 18-1902-68 - CAPACITOR RUN

$31.44

Add to Cart

Part #:  18-1902-45

CAPACITOR RUN

Part #: 18-1902-45 - CAPACITOR RUN

$131.70

Add to Cart

Part #:  A36141-001

CAPACITOR STRAP

Part #: A36141-001 - CAPACITOR STRAP

$30.03

Add to Cart

Part #:  A35321-001

CHUTE

Part #: A35321-001 - CHUTE

$556.23

Add to Cart

Part #:  A35321-004

CHUTE ICE

Part #: A35321-004 - CHUTE ICE

$687.82

Add to Cart

Part #:  A34578-002

(Obsolete)

CHUTE WATER GREY

Part #: A34578-002 - CHUTE WATER GREY

$36.69

Not In Stock

Part #:  12-2843-21

CIRCUIT BOARD 115/60 - email for availability

Part #: 12-2843-21 - CIRCUIT BOARD 115/60 - email for availability

$1110.52

Add to Cart

Part #:  12-2843-26

CIRCUIT BOARD 220/50

Part #: 12-2843-26 - CIRCUIT BOARD 220/50

$2143.30

Add to Cart

Part #:  02-2814-09

CLAMP HOSE

Part #: 02-2814-09 - CLAMP HOSE

$21.04

Add to Cart

Part #:  18-8720-26

COMPRESSOR

Part #: 18-8720-26 - COMPRESSOR

$2906.28

Add to Cart

Part #:  18-8721-21

COMPRESSOR

Part #: 18-8721-21 - COMPRESSOR

$2912.11

Not In Stock

Part #:  18-8720-21

COMPRESSOR

Part #: 18-8720-21 - COMPRESSOR

$2818.64

Add to Cart

Part #:  18-8948-21

COMPRESSOR RST45

Part #: 18-8948-21 - COMPRESSOR RST45

$1915.87

Add to Cart

Part #:  18-8948-22

COMPRESSOR RST45

Part #: 18-8948-22 - COMPRESSOR RST45

$2515.16

Add to Cart

Part #:  18-8949-21

COMPRESSOR RST55

Part #: 18-8949-21 - COMPRESSOR RST55

$2142.07

Add to Cart

Part #:  18-8871-01

CONDENSER

Part #: 18-8871-01 - CONDENSER

$774.19

Add to Cart

Part #:  18-8847-01

CONDENSER A/C

Part #: 18-8847-01 - CONDENSER A/C

$536.53

Add to Cart

Part #:  18-8732-01

CONDENSER A/C

Part #: 18-8732-01 - CONDENSER A/C

$559.08

Add to Cart

Part #:  18-3306-25

CONDENSER W/C

Part #: 18-3306-25 - CONDENSER W/C

$878.52

Add to Cart

Part #:  16-0605-00

CONNECTOR

Part #: 16-0605-00 - CONNECTOR

$40.91

Add to Cart

Part #:  16-1046-01

CONNECTOR FEMALE

Part #: 16-1046-01 - CONNECTOR FEMALE

$48.71

Add to Cart

Part #:  16-1039-01

CONNECTOR MALE

Part #: 16-1039-01 - CONNECTOR MALE

$51.87

Add to Cart

Part #:  12-2469-02

CONTACTOR

Part #: 12-2469-02 - CONTACTOR

$153.32

Add to Cart

Part #:  12-2469-03

CONTACTOR

Part #: 12-2469-03 - CONTACTOR

$151.63

Add to Cart

Part #:  A36146-001

(Obsolete)

CONTROL BOX COVER

Part #: A36146-001 - CONTROL BOX COVER

$47.83

Not In Stock

Part #:  11-0501-22

CONTROL PRESSURE

Part #: 11-0501-22 - CONTROL PRESSURE

$183.63

Add to Cart

Part #:  16-1139-01

CORE SERVICE VALVE

Part #: 16-1139-01 - CORE SERVICE VALVE

$44.52

Add to Cart

Part #:  02-3128-20

COVER

Part #: 02-3128-20 - COVER

$92.63

Add to Cart

Part #:  19-0644-01

COVER - SENSOR

Part #: 19-0644-01 - COVER - SENSOR

$35.69

Add to Cart

Part #:  A32787-001

DOOR

Part #: A32787-001 - DOOR

$410.59

Add to Cart

Part #:  A32684-001

DOOR ROD LONG

Part #: A32684-001 - DOOR ROD LONG

$66.18

Add to Cart

Part #:  A32683-001

(Obsolete)

DOOR SOLENOID

Part #: A32683-001 - DOOR SOLENOID

$233.71

Not In Stock

Part #:  A32294-001

(Obsolete)

DRAIN

Part #: A32294-001 - DRAIN

$278.46

Not In Stock

Part #:  02-3692-21

DRAIN ADAPTER

Part #: 02-3692-21 - DRAIN ADAPTER

$64.89

Add to Cart

Part #:  02-1742-00

DRAIN BOTTOM

Part #: 02-1742-00 - DRAIN BOTTOM

$69.17

Add to Cart

Part #:  02-3692-23

DRAIN KIT

Part #: 02-3692-23 - DRAIN KIT

$70.48

Add to Cart

Part #:  02-2809-01

DRAIN TOP

Part #: 02-2809-01 - DRAIN TOP

$82.41

Add to Cart

Part #:  02-3319-02

DRIER

Part #: 02-3319-02 - DRIER

$69.33

Add to Cart

Part #:  02-3837-01

DRIP PAN - PLASTIC

Part #: 02-3837-01 - DRIP PAN - PLASTIC

$57.50

Add to Cart

Part #:  15-0808-01

EMBLEM - SCOTSMAN

Part #: 15-0808-01 - EMBLEM - SCOTSMAN

$54.94

Add to Cart

Part #:  15-0803-01

(Obsolete)

EMBLEM - TOUCH FREE

Part #: 15-0803-01 - EMBLEM - TOUCH FREE

$33.16

Not In Stock

Part #:  A33194-020

EVAPORATOR

Part #: A33194-020 - EVAPORATOR

$2052.16

Add to Cart

Part #:  A38105-001

EXTENSION

Part #: A38105-001 - EXTENSION

$43.31

Add to Cart

Part #:  12-0675-25

FAN BLADE

Part #: 12-0675-25 - FAN BLADE

$35.53

Add to Cart

Part #:  18-3732-01

FAN BLADE

Part #: 18-3732-01 - FAN BLADE

$122.49

Add to Cart

Part #:  18-8859-01

FAN BLADE

Part #: 18-8859-01 - FAN BLADE

$98.49

Add to Cart

Part #:  02-3333-01

(Obsolete)

FAN MOTOR BRACKET

Part #: 02-3333-01 - FAN MOTOR BRACKET

$38.13

Not In Stock

Part #:  02-3359-01

(Obsolete)

FAN MOTOR BRACKET

Part #: 02-3359-01 - FAN MOTOR BRACKET

$82.36

Not In Stock

Part #:  A35911-001

FAN SHROUD

Part #: A35911-001 - FAN SHROUD

$92.12

Add to Cart

Part #:  A32379-024

FIRST GEAR and BRARING

Part #: A32379-024 - FIRST GEAR and BRARING

$766.73

Add to Cart

Part #:  16-0835-01

FITTING

Part #: 16-0835-01 - FITTING

$84.60

Add to Cart

Part #:  03-1418-15

(Obsolete)

FLAT HEAD SCREW

Part #: 03-1418-15 - FLAT HEAD SCREW

$10.51

Not In Stock

Part #:  13-0704-00

GASKET

Part #: 13-0704-00 - GASKET

$24.53

Add to Cart

Part #:  13-0875-01

GASKET

Part #: 13-0875-01 - GASKET

$72.01

Add to Cart

Part #:  A32379-021

GASKET

Part #: A32379-021 - GASKET

$51.10

Add to Cart

Part #:  02-3233-01

GASKET

Part #: 02-3233-01 - GASKET

$41.77

Add to Cart

Part #:  A32379-020

GEAR CASE

Part #: A32379-020 - GEAR CASE

$604.29

Add to Cart

Part #:  A32379-022

GEAR CASE TOP

Part #: A32379-022 - GEAR CASE TOP

$1656.48

Add to Cart

Part #:  02-1971-00

GEAR MOTOR BRACKET

Part #: 02-1971-00 - GEAR MOTOR BRACKET

$66.39

Add to Cart

Part #:  A33220-022

GEAR REDUCER & MOTOR

Part #: A33220-022 - GEAR REDUCER & MOTOR

$2512.13

Add to Cart

Part #:  A33220-021

GEAR REDUCER and MOTOR

Part #: A33220-021 - GEAR REDUCER and MOTOR

$2612.60

Add to Cart

Part #:  02-2951-01

GRILL

Part #: 02-2951-01 - GRILL

$190.28

Add to Cart

Part #:  02-2582-01

GRILL

Part #: 02-2582-01 - GRILL

$232.49

Add to Cart

Part #:  13-0866-01

GROMMET

Part #: 13-0866-01 - GROMMET

$37.86

Add to Cart

Part #:  16-0643-00

HALF UNION

Part #: 16-0643-00 - HALF UNION

$27.99

Add to Cart

Part #:  12-2802-01

HARNESS

Part #: 12-2802-01 - HARNESS

$50.94

Add to Cart

Part #:  12-2803-01

HARNESS

Part #: 12-2803-01 - HARNESS

$53.34

Add to Cart

Part #:  12-2491-01

(Obsolete)

HARNESS TDE A/C

Part #: 12-2491-01 - HARNESS TDE A/C

$88.20

Not In Stock

Part #:  12-2491-02

(Obsolete)

HARNESS TDE W/C

Part #: 12-2491-02 - HARNESS TDE W/C

$54.81

Not In Stock

Part #:  03-1410-03

HELICAL SPRING LOCKW

Part #: 03-1410-03 - HELICAL SPRING LOCKW

$11.99

Add to Cart

Part #:  03-1410-04

HELICAL SPRING LOCKW

Part #: 03-1410-04 - HELICAL SPRING LOCKW

$11.99

Add to Cart

Part #:  03-1405-41

HEX CAP SCREW

Part #: 03-1405-41 - HEX CAP SCREW

$16.34

Add to Cart

Part #:  03-1405-52

HEX CAP SCREW

Part #: 03-1405-52 - HEX CAP SCREW

$25.96

Add to Cart

Part #:  03-1405-17

HEX CAP SCREWS

Part #: 03-1405-17 - HEX CAP SCREWS

$11.99

Add to Cart

Part #:  03-1406-10

HEX NUTS

Part #: 03-1406-10 - HEX NUTS

$11.99

Add to Cart

Part #:  03-1406-09

HEX NUTS

Part #: 03-1406-09 - HEX NUTS

$11.99

Add to Cart

Part #:  02-1874-07

HOLE PLUG

Part #: 02-1874-07 - HOLE PLUG

$14.97

Add to Cart

Part #:  13-0895-01

HOSE - PER FT.

Part #: 13-0895-01 - HOSE - PER FT.

$7.95

Add to Cart

Part #:  A38260-001

HOSE - RESERVOIR

Part #: A38260-001 - HOSE - RESERVOIR

$73.21

Add to Cart

Part #:  02-2814-06

HOSE CLAMP

Part #: 02-2814-06 - HOSE CLAMP

$28.52

Add to Cart

Part #:  02-2814-10

HOSE CLAMP

Part #: 02-2814-10 - HOSE CLAMP

$26.32

Add to Cart

Part #:  02-2814-07

HOSE CLAMP

Part #: 02-2814-07 - HOSE CLAMP

$26.19

Add to Cart

Part #:  02-2814-08

HOSE CLAMP

Part #: 02-2814-08 - HOSE CLAMP

$21.22

Add to Cart

Part #:  02-3268-01

HOSE CLIP

Part #: 02-3268-01 - HOSE CLIP

$29.69

Add to Cart

Part #:  02-3901-01

HOSE DRAIN

Part #: 02-3901-01 - HOSE DRAIN

$110.33

Add to Cart

Part #:  A38259-001

HOSE DRAIN

Part #: A38259-001 - HOSE DRAIN

$115.65

Add to Cart

Part #:  02-2958-01

ICE CHUTE

Part #: 02-2958-01 - ICE CHUTE

$69.40

Add to Cart

Part #:  02-3909-01

ICE CHUTE

Part #: 02-3909-01 - ICE CHUTE

$113.66

Add to Cart

Part #:  A35305-001

ICE CHUTE BRACKET

Part #: A35305-001 - ICE CHUTE BRACKET

$88.01

Add to Cart

Part #:  02-2957-02

ICE CHUTE COVER

Part #: 02-2957-02 - ICE CHUTE COVER

$62.94

Add to Cart

Part #:  02-2930-04

ICE CHUTE COVER

Part #: 02-2930-04 - ICE CHUTE COVER

$72.36

Add to Cart

Part #:  02-2973-02

ICE CHUTE-EXTENSION

Part #: 02-2973-02 - ICE CHUTE-EXTENSION

$197.40

Add to Cart

Part #:  A37711-021

ICE LEVEL CONTROL (S

Part #: A37711-021 - ICE LEVEL CONTROL (S

$204.25

Add to Cart

Part #:  02-3001-01

ICE SWEEP

Part #: 02-3001-01 - ICE SWEEP

$87.24

Add to Cart

Part #:  A32657-001

INNER BIN BOTTOM

Part #: A32657-001 - INNER BIN BOTTOM

$487.96

Add to Cart

Part #:  03-1734-01

INSERT

Part #: 03-1734-01 - INSERT

$11.99

Add to Cart

Part #:  A33102-001

INSULATION COLLAR IN

Part #: A33102-001 - INSULATION COLLAR IN

$37.03

Add to Cart

Part #:  A32963-001

INSULATION TOP HALF

Part #: A32963-001 - INSULATION TOP HALF

$47.59

Add to Cart

Part #:  A32963-002

INSULATION TOP-HALF

Part #: A32963-002 - INSULATION TOP-HALF

$48.80

Add to Cart

Part #:  02-4358-01

INSULATION-FREEZER

Part #: 02-4358-01 - INSULATION-FREEZER

$36.21

Add to Cart

Part #:  12-0346-00

JUNCTION BOX

Part #: 12-0346-00 - JUNCTION BOX

$54.94

Add to Cart

Part #:  16-1154-23

KIT ADAPTER

Part #: 16-1154-23 - KIT ADAPTER

$132.03

Add to Cart

Part #:  16-1154-22

KIT ADAPTER

Part #: 16-1154-22 - KIT ADAPTER

$136.44

Add to Cart

Part #:  A39845-021

KIT ICE CHUTE

Part #: A39845-021 - KIT ICE CHUTE

$56.20

Add to Cart

Part #:  17-2830-01

LABEL - ICE

Part #: 17-2830-01 - LABEL - ICE

$33.07

Add to Cart

Part #:  17-2830-02

LABEL - WATER

Part #: 17-2830-02 - LABEL - WATER

$52.38

Add to Cart

Part #:  A32952-002

LEFT SIDE PANEL

Part #: A32952-002 - LEFT SIDE PANEL

$134.53

Add to Cart

Part #:  A32235-001

(Obsolete)

LEG-HOLD DOWN

Part #: A32235-001 - LEG-HOLD DOWN

$75.00

Not In Stock

Part #:  A32685-001

(Obsolete)

LINKAGE PIN-MED.

Part #: A32685-001 - LINKAGE PIN-MED.

$66.62

Not In Stock

Part #:  A32687-001

LINKAGE PIN-SHORT

Part #: A32687-001 - LINKAGE PIN-SHORT

$91.02

Add to Cart

Part #:  02-2978-01

LIP SEAL

Part #: 02-2978-01 - LIP SEAL

$66.10

Add to Cart

Part #:  02-2977-01

LIP SEAL

Part #: 02-2977-01 - LIP SEAL

$84.17

Add to Cart

Part #:  A33280-001

LOWER FRAME

Part #: A33280-001 - LOWER FRAME

$613.61

Add to Cart

Part #:  A32958-001

LOWER FRAME

Part #: A32958-001 - LOWER FRAME

$566.50

Add to Cart

Part #:  12-2368-01

MOTOR

Part #: 12-2368-01 - MOTOR

$3640.06

Add to Cart

Part #:  18-8850-01

MOTOR

Part #: 18-8850-01 - MOTOR

$382.56

Add to Cart

Part #:  18-8736-06

MOTOR

Part #: 18-8736-06 - MOTOR

$422.20

Add to Cart

Part #:  12-2430-21

MOTOR 115 V.

Part #: 12-2430-21 - MOTOR 115 V.

$1218.43

Add to Cart

Part #:  12-2430-22

MOTOR 230 V.

Part #: 12-2430-22 - MOTOR 230 V.

$1195.45

Add to Cart

Part #:  12-2430-29

MOTOR BEARING

Part #: 12-2430-29 - MOTOR BEARING

$199.10

Add to Cart

Part #:  12-2677-26

MOTOR DISPENSING 50

Part #: 12-2677-26 - MOTOR DISPENSING 50

$1149.19

Add to Cart

Part #:  12-2677-21

MOTOR DISPENSING 60

Part #: 12-2677-21 - MOTOR DISPENSING 60

$973.83

Add to Cart

Part #:  18-5505-01

MOTOR FAN

Part #: 18-5505-01 - MOTOR FAN

$404.63

Add to Cart

Part #:  A32698-001

MOTOR SHAFT SEAL

Part #: A32698-001 - MOTOR SHAFT SEAL

$90.31

Add to Cart

Part #:  A32693-001

MOTOR SHAFT SEAL-ROU

Part #: A32693-001 - MOTOR SHAFT SEAL-ROU

$54.07

Add to Cart

Part #:  18-2200-28

MOUNTING GROMMET

Part #: 18-2200-28 - MOUNTING GROMMET

$19.87

Add to Cart

Part #:  18-2200-27

MOUNTING SLEEVE

Part #: 18-2200-27 - MOUNTING SLEEVE

$16.88

Add to Cart

Part #:  13-0617-11

O RING

Part #: 13-0617-11 - O RING

$15.08

Add to Cart

Part #:  13-0617-52

O-RING

Part #: 13-0617-52 - O-RING

$34.48

Add to Cart

Part #:  13-0617-45

O-RING

Part #: 13-0617-45 - O-RING

$21.69

Add to Cart

Part #:  A32379-027

OIL-1 PT-GEAR REDUCE

Part #: A32379-027 - OIL-1 PT-GEAR REDUCE

$59.83

Add to Cart

Part #:  A34493-023

(Obsolete)

OUTER BIN and TOP

Part #: A34493-023 - OUTER BIN and TOP

$634.80

Not In Stock

Part #:  18-5700-50

OVERLOAD

Part #: 18-5700-50 - OVERLOAD

$115.25

Add to Cart

Part #:  18-8711-50

OVERLOAD

Part #: 18-8711-50 - OVERLOAD

$111.19

Add to Cart

Part #:  A37782-021

(Obsolete)

PANEL - SPLASH

Part #: A37782-021 - PANEL - SPLASH

$242.41

Not In Stock

Part #:  A37790-021

PANEL and LABELS

Part #: A37790-021 - PANEL and LABELS

$288.36

Add to Cart

Part #:  A37788-021

(Obsolete)

PANEL FRONT

Part #: A37788-021 - PANEL FRONT

$331.86

Not In Stock

Part #:  A37771-002

(Obsolete)

PANEL FRONT - GOVMT.

Part #: A37771-002 - PANEL FRONT - GOVMT.

$159.15

Not In Stock

Part #:  A37787-021

PANEL LEFT SIDE

Part #: A37787-021 - PANEL LEFT SIDE

$265.88

Add to Cart

Part #:  A37808-021

PANEL LEFT SIDE UPPE

Part #: A37808-021 - PANEL LEFT SIDE UPPE

$293.52

Add to Cart

Part #:  A37809-021

PANEL RIGHT SIDE

Part #: A37809-021 - PANEL RIGHT SIDE

$313.44

Add to Cart

Part #:  A37787-022

PANEL RIGHT SIDE

Part #: A37787-022 - PANEL RIGHT SIDE

$265.86

Add to Cart

Part #:  A37769-001

(Obsolete)

PANEL TOP

Part #: A37769-001 - PANEL TOP

$155.32

Not In Stock

Part #:  A37806-001

PANEL TOP

Part #: A37806-001 - PANEL TOP

$301.73

Add to Cart

Part #:  A37771-021

(Obsolete)

PANEL UPPER FRONT

Part #: A37771-021 - PANEL UPPER FRONT

$314.08

Not In Stock

Part #:  03-0396-01

(Obsolete)

PIN COTTER

Part #: 03-0396-01 - PIN COTTER

$11.99

Not In Stock

Part #:  A34017-001

(Obsolete)

PLATE

Part #: A34017-001 - PLATE

$63.78

Not In Stock

Part #:  A37803-001

PLATE - VALVE

Part #: A37803-001 - PLATE - VALVE

$54.94

Add to Cart

Part #:  A32956-015

PLATE UPPER

Part #: A32956-015 - PLATE UPPER

$284.59

Add to Cart

Part #:  02-1874-05

PLUG BUTTON

Part #: 02-1874-05 - PLUG BUTTON

$11.99

Add to Cart

Part #:  02-3266-03

PLUNGER

Part #: 02-3266-03 - PLUNGER

$29.65

Add to Cart

Part #:  11-0485-22

PRESSURE CONTROL MAN

Part #: 11-0485-22 - PRESSURE CONTROL MAN

$240.65

Add to Cart

Part #:  16-0832-20

PROCESS VALVE KIT

Part #: 16-0832-20 - PROCESS VALVE KIT

$116.67

Add to Cart

Part #:  A33220-030

REDUCER - LESS MOTOR

Part #: A33220-030 - REDUCER - LESS MOTOR

$2093.69

Add to Cart

Part #:  18-1903-50

RELAY

Part #: 18-1903-50 - RELAY

$166.55

Add to Cart

Part #:  18-1903-44

RELAY COMPRESSOR

Part #: 18-1903-44 - RELAY COMPRESSOR

$204.77

Add to Cart

Part #:  18-1903-54

RELAY COMPRESSOR

Part #: 18-1903-54 - RELAY COMPRESSOR

$155.48

Add to Cart

Part #:  02-3371-01

RESERVOIR

Part #: 02-3371-01 - RESERVOIR

$270.07

Add to Cart

Part #:  02-3266-02

RESERVOIR VALVE

Part #: 02-3266-02 - RESERVOIR VALVE

$147.73

Add to Cart

Part #:  03-1539-09

RETAINING RING

Part #: 03-1539-09 - RETAINING RING

$22.70

Add to Cart

Part #:  A32953-002

RIGHT SIDE PANEL

Part #: A32953-002 - RIGHT SIDE PANEL

$134.40

Add to Cart

Part #:  A32777-001

RING

Part #: A32777-001 - RING

$59.40

Add to Cart

Part #:  A32735-001

ROD

Part #: A32735-001 - ROD

$68.07

Add to Cart

Part #:  13-0840-01

RUBBER PLUG

Part #: 13-0840-01 - RUBBER PLUG

$11.99

Add to Cart

Part #:  13-0079-03

RUBBER TUBING PER FT

Part #: 13-0079-03 - RUBBER TUBING PER FT

$15.12

Add to Cart

Part #:  03-1419-16

SCREW

Part #: 03-1419-16 - SCREW

$11.99

Add to Cart

Part #:  03-1531-08

SCREW

Part #: 03-1531-08 - SCREW

$11.99

Add to Cart

Part #:  03-1419-22

SCREW

Part #: 03-1419-22 - SCREW

$11.99

Add to Cart

Part #:  03-1544-08

SCREW

Part #: 03-1544-08 - SCREW

$28.71

Add to Cart

Part #:  03-1645-01

SCREW

Part #: 03-1645-01 - SCREW

$12.92

Add to Cart

Part #:  03-1638-07

(Obsolete)

SCREW

Part #: 03-1638-07 - SCREW

$5.95

Not In Stock

Part #:  03-1531-01

SCREW

Part #: 03-1531-01 - SCREW

$13.19

Add to Cart

Part #:  16-1137-01

SEAT SERVICE VALVE

Part #: 16-1137-01 - SEAT SERVICE VALVE

$27.53

Add to Cart

Part #:  A32379-023

SECOND GEAR - BEARIN

Part #: A32379-023 - SECOND GEAR - BEARIN

$446.76

Add to Cart

Part #:  A33113-002

SERVICE PANEL

Part #: A33113-002 - SERVICE PANEL

$165.61

Add to Cart

Part #:  A33281-002

(Obsolete)

SERVICE PANEL

Part #: A33281-002 - SERVICE PANEL

$97.39

Not In Stock

Part #:  18-8948-51

SERVICE PART OVERLOA

Part #: 18-8948-51 - SERVICE PART OVERLOA

$73.58

Add to Cart

Part #:  18-8949-50

SERVICE PART OVERLOA

Part #: 18-8949-50 - SERVICE PART OVERLOA

$58.78

Add to Cart

Part #:  18-8948-50

SERVICE PART OVERLOA

Part #: 18-8948-50 - SERVICE PART OVERLOA

$96.07

Add to Cart

Part #:  A33110-015

(Obsolete)

SHROUD

Part #: A33110-015 - SHROUD

$57.83

Not In Stock

Part #:  A33284-002

SIDE PANEL-LOWER

Part #: A33284-002 - SIDE PANEL-LOWER

$418.46

Add to Cart

Part #:  A33284-004

SIDE PANEL-LOWER

Part #: A33284-004 - SIDE PANEL-LOWER

$250.59

Add to Cart

Part #:  02-2944-20

SINK

Part #: 02-2944-20 - SINK

$391.62

Add to Cart

Part #:  A31047-032

SINK GREY

Part #: A31047-032 - SINK GREY

$1354.15

Add to Cart

Part #:  02-3206-01

SOLENOID LINK

Part #: 02-3206-01 - SOLENOID LINK

$66.10

Add to Cart

Part #:  03-1423-06

SPEED NUT

Part #: 03-1423-06 - SPEED NUT

$11.99

Add to Cart

Part #:  02-3944-01

SPOUT

Part #: 02-3944-01 - SPOUT

$53.31

Add to Cart

Part #:  02-2943-01

SPOUT

Part #: 02-2943-01 - SPOUT

$82.70

Add to Cart

Part #:  A32690-001

(Obsolete)

SPRING-DISPENSER DOO

Part #: A32690-001 - SPRING-DISPENSER DOO

$40.01

Not In Stock

Part #:  A32692-001

SQUARE MOTOR GASKET

Part #: A32692-001 - SQUARE MOTOR GASKET

$84.52

Add to Cart

Part #:  12-2499-01

STAND OFF

Part #: 12-2499-01 - STAND OFF

$16.02

Add to Cart

Part #:  12-2350-01

STANDOFF

Part #: 12-2350-01 - STANDOFF

$21.36

Add to Cart

Part #:  18-1901-03

START CAPACITOR

Part #: 18-1901-03 - START CAPACITOR

$102.01

Add to Cart

Part #:  18-1901-45

(Obsolete)

START CAPACITOR

Part #: 18-1901-45 - START CAPACITOR

$71.27

Not In Stock

Part #:  18-1901-49

START CAPACITOR

Part #: 18-1901-49 - START CAPACITOR

$145.04

Add to Cart

Part #:  18-1901-65

START CAPACITOR

Part #: 18-1901-65 - START CAPACITOR

$57.32

Add to Cart

Part #:  A34496-002

STORAGE BIN

Part #: A34496-002 - STORAGE BIN

$945.74

Add to Cart

Part #:  A34496-001

STORAGE BIN

Part #: A34496-001 - STORAGE BIN

$887.60

Add to Cart

Part #:  A35971-001

STRAP

Part #: A35971-001 - STRAP

$20.58

Add to Cart

Part #:  A35419-020

STRAP KIT

Part #: A35419-020 - STRAP KIT

$65.36

Add to Cart

Part #:  A35949-001

SUCTION LINE

Part #: A35949-001 - SUCTION LINE

$205.22

Add to Cart

Part #:  A32940-015

SUPPORT ANGLE GREY

Part #: A32940-015 - SUPPORT ANGLE GREY

$58.62

Add to Cart

Part #:  A34625-015

SUPPORT BACK

Part #: A34625-015 - SUPPORT BACK

$61.57

Add to Cart

Part #:  A34509-015

SUPPORT BOTTOM GREY

Part #: A34509-015 - SUPPORT BOTTOM GREY

$65.47

Add to Cart

Part #:  A34917-015

SUPPORT BRACKET

Part #: A34917-015 - SUPPORT BRACKET

$35.46

Add to Cart

Part #:  A33107-015

(Obsolete)

SUPPORT FREEZER

Part #: A33107-015 - SUPPORT FREEZER

$66.59

Not In Stock

Part #:  A34401-015

(Obsolete)

SUPPORT SINK LT GREY

Part #: A34401-015 - SUPPORT SINK LT GREY

$38.20

Not In Stock

Part #:  A34401-016

(Obsolete)

SUPPORT SINK RT GREY

Part #: A34401-016 - SUPPORT SINK RT GREY

$38.20

Not In Stock

Part #:  A34508-015

(Obsolete)

SUPPORT TOP GREY

Part #: A34508-015 - SUPPORT TOP GREY

$44.80

Not In Stock

Part #:  A34562-001

SUPPORT-HOPPER

Part #: A34562-001 - SUPPORT-HOPPER

$71.34

Add to Cart

Part #:  12-2637-01

SWITCH

Part #: 12-2637-01 - SWITCH

$92.01

Add to Cart

Part #:  12-2391-01

(Obsolete)

SWITCH

Part #: 12-2391-01 - SWITCH

$39.00

Not In Stock

Part #:  12-2501-01

SWITCH (TOUCH FREE)

Part #: 12-2501-01 - SWITCH (TOUCH FREE)

$103.77

Add to Cart

Part #:  12-2430-44

SWITCH START GE SPLI

Part #: 12-2430-44 - SWITCH START GE SPLI

$116.44

Add to Cart

Part #:  16-0670-04

TEE

Part #: 16-0670-04 - TEE

$26.79

Add to Cart

Part #:  16-1040-01

TEE

Part #: 16-1040-01 - TEE

$51.61

Add to Cart

Part #:  16-0670-01

TEE

Part #: 16-0670-01 - TEE

$22.87

Add to Cart

Part #:  16-0670-02

TEE

Part #: 16-0670-02 - TEE

$28.52

Add to Cart

Part #:  11-0488-21

THERMO EXP VALVE

Part #: 11-0488-21 - THERMO EXP VALVE

$500.67

Add to Cart

Part #:  A33101-022

THERMO PROBE SERVICE

Part #: A33101-022 - THERMO PROBE SERVICE

$184.92

Add to Cart

Part #:  03-1417-13

TOOTHED LOCKWASHERS

Part #: 03-1417-13 - TOOTHED LOCKWASHERS

$11.99

Add to Cart

Part #:  03-1417-27

TOOTHED LOCKWASHERS

Part #: 03-1417-27 - TOOTHED LOCKWASHERS

$11.99

Add to Cart

Part #:  12-2495-21

(Obsolete)

TOUCH FREE SENSORS

Part #: 12-2495-21 - TOUCH FREE SENSORS

$446.02

Not In Stock

Part #:  13-0674-06

TUBING - PER FT.

Part #: 13-0674-06 - TUBING - PER FT.

$19.23

Not In Stock

Part #:  13-0674-07

TUBING - PER FT.

Part #: 13-0674-07 - TUBING - PER FT.

$30.28

Not In Stock

Part #:  13-0079-01

TUBING - PER FT.

Part #: 13-0079-01 - TUBING - PER FT.

$29.67

Add to Cart

Part #:  05-0501-01

TUBING PREFORMED

Part #: 05-0501-01 - TUBING PREFORMED

$74.56

Add to Cart

Part #:  03-1407-07

TYPE A PLAIN WASHER

Part #: 03-1407-07 - TYPE A PLAIN WASHER

$13.21

Add to Cart

Part #:  03-1407-05

TYPE A PLAIN WASHERS

Part #: 03-1407-05 - TYPE A PLAIN WASHERS

$11.99

Add to Cart

Part #:  03-1407-02

(Obsolete)

TYPE A PLAIN WASHERS

Part #: 03-1407-02 - TYPE A PLAIN WASHERS

$11.99

Not In Stock

Part #:  A33285-015

UPPER PLATE GREY

Part #: A33285-015 - UPPER PLATE GREY

$270.76

Add to Cart

Part #:  18-1902-52

USE SC18-1902-68

Part #: 18-1902-52 - USE SC18-1902-68

$17.00

Not In Stock

Part #:  02-4406-01

(Obsolete)

USE SC19-0599-06

Part #: 02-4406-01 - USE SC19-0599-06

$0.00

Not In Stock

Part #:  16-0832-03

VALVE CORE CAP

Part #: 16-0832-03 - VALVE CORE CAP

$24.65

Not In Stock

Part #:  16-0832-02

VALVE SET SCREW CAP

Part #: 16-0832-02 - VALVE SET SCREW CAP

$17.73

Not In Stock

Part #:  11-0608-21

VALVE WATER REG WVO1

Part #: 11-0608-21 - VALVE WATER REG WVO1

$471.15

Add to Cart

Part #:  12-1646-06

(Obsolete)

VALVE-INLET

Part #: 12-1646-06 - VALVE-INLET

$210.14

Not In Stock

Part #:  12-1646-01

VALVE-INLET

Part #: 12-1646-01 - VALVE-INLET

$165.59

Add to Cart

Part #:  12-1646-05

VALVE-INLET

Part #: 12-1646-05 - VALVE-INLET

$233.34

Add to Cart

Part #:  A37267-001

VANE

Part #: A37267-001 - VANE

$831.58

Add to Cart

Part #:  A37268-001

VANE

Part #: A37268-001 - VANE

$740.31

Add to Cart

Part #:  02-3365-01

WATER CHUTE

Part #: 02-3365-01 - WATER CHUTE

$76.39

Add to Cart

Part #:  A36762-001

WATER LINE

Part #: A36762-001 - WATER LINE

$74.77

Add to Cart

Part #:  11-0478-01

(Obsolete)

WATER REG. VALVE

Part #: 11-0478-01 - WATER REG. VALVE

$0.00

Not In Stock

Part #:  02-3266-01

WATER RESERVOIR and FL

Part #: 02-3266-01 - WATER RESERVOIR and FL

$249.52

Add to Cart

Part #:  02-0929-23

WATER SEAL

Part #: 02-0929-23 - WATER SEAL

$222.21

Add to Cart

Part #:  13-0871-01

WATER SHED

Part #: 13-0871-01 - WATER SHED

$55.47

Add to Cart

Part #:  13-0747-00

WATER SHED

Part #: 13-0747-00 - WATER SHED

$61.16

Add to Cart

Part #:  02-4663-01

WATER SHED - 1/4 HP

Part #: 02-4663-01 - WATER SHED - 1/4 HP

$69.33

Add to Cart

Part #:  03-0255-00

WING NUT

Part #: 03-0255-00 - WING NUT

$14.07

Add to Cart
 
Scotsman ice machines set the performance and reliability standard that other commercial ice machine manufacturers measure themselves against. The MDT5N40 commercial ice dispenser carries that reputation into healthcare facilities, hotel guest service areas, cafeterias, office buildings, and self-serve ice stations, built for continuous commercial operation in some of the most demanding foodservice and hospitality environments in the country. FixIce stocks every critical replacement part for the Scotsman MDT5N40, so refrigeration technicians, HVAC service professionals, hotel maintenance teams, and hospital facilities staff have what they need the moment a repair job comes in.

FixIce stocks the complete lineup of Scotsman MDT5N40 replacement parts, including solenoid valves, auger motors, control boards, water valves, ice delivery components, wiring harnesses, and sensors. Every component we carry is sourced to OEM specifications, so technicians can be confident that the part they order will fit, function, and perform exactly as the original equipment was designed to. Our parts catalog for the MDT5N40 covers both the components most commonly replaced during routine service and the harder-to-find items that other distributors stop carrying long before a machine reaches the end of its useful life. Whether you are diagnosing an intermittent fault or replacing a failed component on an emergency call, FixIce has the Scotsman MDT5N40 part you need in stock and ready to ship today.

A well-maintained Scotsman MDT5N40 is a competitive asset in the commercial settings it serves - in hotel guest floors, healthcare patient areas, cafeterias, university dining operations, and self-service stations, consistent ice output directly affects service quality and revenue. FixIce makes professional maintenance realistic by ensuring that every MDT5N40 part is in stock and ready to ship when the job requires it. We support HVAC and refrigeration technicians, hotel maintenance departments, healthcare facility maintenance teams, and foodservice equipment repair professionals with stocked OEM-compatible parts, same-day and next-day fulfillment nationwide, and staff who can help troubleshoot Scotsman MDT5N40 models by symptom when the service manual is not enough. Browse our Scotsman MDT5N40 parts catalog or call FixIce today.